wymiary i tolerancje w oparciu o normę EN 612
haki rynnowe |
Długość [mm] |
Różnica w stosunku do dł. standardowej [mm] |
|
Hak rynnowy 250 |
335 |
||
Hak rynnowy 250 (krótki) |
287 |
- |
48 |
Hak rynnowy 280 |
347 |
||
Hak rynnowy 280 (krótki) |
297 |
- |
50 |
Hak rynnowy 280 (długi) |
445 |
+ |
98 |
Hak rynnowy 333 |
383 |
||
Hak rynnowy 333 (krótki) |
312 |
- |
71 |
Hak rynnowy 333 (długi) |
473 |
+ |
90 |
Hak rynnowy 400 |
452 |
Hak rynnowy prostokątny |
Długość [mm] |
Hak rynnowy prostokątny 250 |
325 |
Hak rynnowy prostokątny 333 |
370 |
Hak rynnowy prostokątny 400 |
435 |
Hak rynnowy prostokątny 500 |
455 |
Hak rynnowy doczołowy |
Długość [mm] |
Hak rynnowy doczołowy 250 |
135 |
Hak rynnowy doczołowy 280 |
139 |
Hak rynnowy doczołowy 333 |
154 |
Hak doczołowy do rynny prostokątnej |
Długość [mm] |
Hak doczołowy do rynny prostokątnej 250 |
130 |
Hak doczołowy do rynny prostokątnej 333 |
145 |
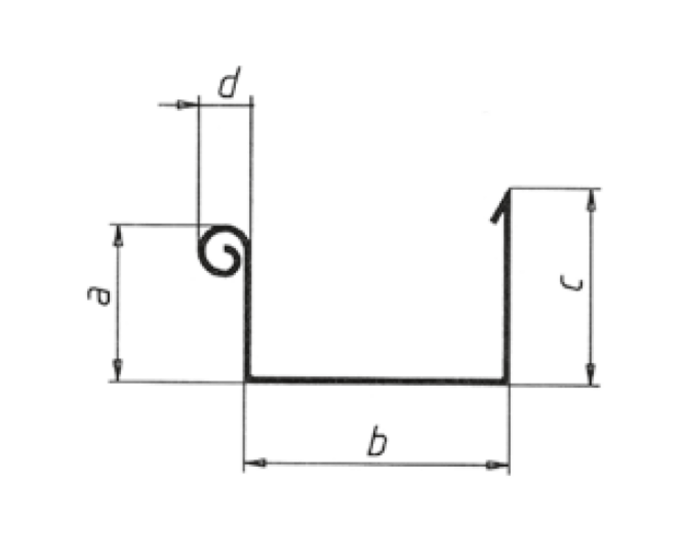
Wymiar rynien dachowych |
Przód A |
Tył C |
Rynna e |
Wałek d |
250 (8-częściowy) |
61 |
72 |
110 |
19 |
280 (7-częściowy) |
67 |
78 |
126 |
19 |
333 (6-częściowy) |
87 |
98 |
153 |
19 |
400 (5-częściowy) |
110 |
121 |
192 |
19 |
Wymiary w mm
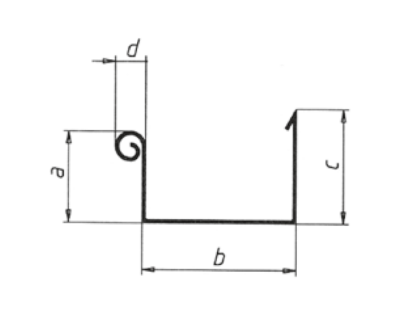
Wymiar rynien dachowych |
Przód A |
Tył C |
Rynna e |
Wałek d |
250 (8-częściowy) |
54 |
63 |
86 |
19 |
333 (6-częściowy) |
75 |
93 |
120 |
19 |
400 (5-częściowy) |
92 |
113 |
150 |
19 |
500 (4-częściowy) |
114 |
142 |
200 |
19 |
Wymiary w mm
Narożnik 90° (zewnętrzny) |
Długość [mm] |
Narożnik 250 |
300 |
Narożnik 280 |
300 |
Narożnik 333 |
300 |
Narożnik 400 |
340 |
narożnik 90° (wewnętrzny) |
Długość [mm] |
Narożnik 250 |
300 |
Narożnik 280 |
300 |
Narożnik 333 |
300 |
Narożnik 400 |
340 |
narożnik 90° do rynny prostokątnej (zewnętrzny) |
Długość [mm] |
Narożnik do rynny prostokątnej 250 |
300 |
Narożnik do rynny prostokątnej 333 |
300 |
Narożnik do rynny prostokątnej 400 |
300 |
Narożnik do rynny prostokątnej 500 |
370 |
narożnik 90° do rynny prostokątnej (wewnętrzny) |
Długość [mm] |
Narożnik do rynny prostokątnej 250 |
300 |
Narożnik do rynny prostokątnej 333 |
300 |
Narożnik do rynny prostokątnej 400 |
300 |
Narożnik do rynny prostokątnej 500 |
350 |
Można pobrać tylko treści z jednej kategorii produktów. Jeśli potrzebują Państwo treści z kilku kategorii, proszę utworzyć osobne pliki do pobrania dla każdego obszaru produktów.