Wskazówka
Niniejszy rozdział nie obowiązuje na terenie Niemiec i Szwajcarii ze względu na odbiegające wymagania, które obowiązują w tych krajach. W celu uzyskania dodatkowych informacji prosimy o kontakt z działami techniki produktów w poszczególnych krajach!
Mocowanie za pomocą zaczepów stałych i przesuwnych wykonywane jest zgodnie z wymaganiami statycznymi. Krajowe normy i zasady branżowe mogą zawierać odmienne wymagania i należy je uwzględnić. W poniższych tabelach podano minimalną liczbę zaczepów [szt./m²] w zależności od kategorii terenu, wysokości budynku i bazowej prędkości wiatru.
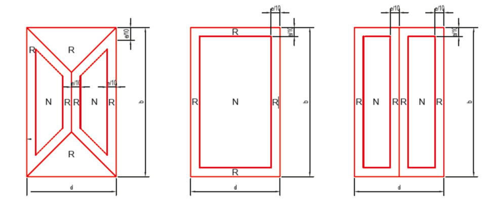
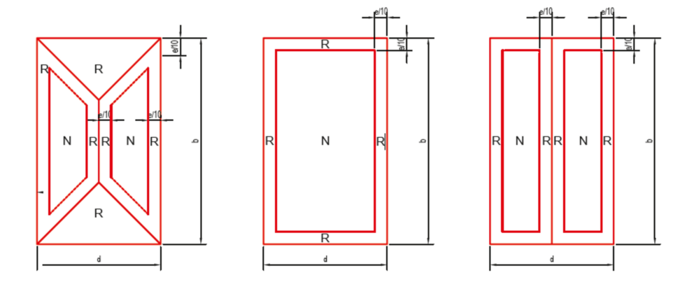
Podane wartości odnoszące się do minimalnej liczby zaczepów uwzględniają współczynnik bezpieczeństwa o wartości 1,35 i powinny być traktowane jako wartości teoretyczne. R = obszar krawędziowy (współczynnik ciśnienia zewnętrznego cpe = -2,9), N = obszar połaciowy zwykły (współczynnik ciśnienia zewnętrznego = -1,3).
Kategoria terenu II
Bazowe ciśnienie prędkości [kN/m²] |
Bazowa prędkość wiatru [m/sec] |
Wysokość budynku < 15 [m] |
Wysokość budynku 15–30 [m] |
Wysokość budynku 30–50 [m] |
P | K [szt./m²] |
P | K [szt./m²] |
P | K [szt./m²] |
||
≤ 0,32 |
≤ 22,5 |
3,7 | 8,2 |
4,3 | 9,7 |
4,9 | 10,9 |
≤ 0,39 |
≤ 25,0 |
4,5 | 10,0 |
5,3 | 11,8 |
6,0 | 13,3 |
≤ 0,47 |
≤ 27,5 |
5,4 | 12,0 |
6,4 | 14,2 |
7,2 | 16,1 |
≤ 0,56 |
≤ 30,0 |
6,4 | 14,3 |
7,6 | 16,9 |
8,6 | 19,1 |
Kategoria terenu III
Bazowe ciśnienie prędkości [kN/m²] |
Bazowa prędkość wiatru [m/sec] |
Wysokość budynku < 15 [m] |
Wysokość budynku 15–30 [m] |
Wysokość budynku 30–50 [m] |
P | K [szt./m²] |
P | K [szt./m²] |
P | K [szt./m²] |
||
≤ 0,32 |
≤ 22,5 |
3,1 | 7,0 |
3,8 | 8,5 |
4,4 | 9,9 |
≤ 0,39 |
≤ 25,0 |
3,8 | 8,5 |
4,7 | 10,4 |
5,4 | 12,0 |
≤ 0,47 |
≤ 27,5 |
4,6 | 10,2 |
5,6 | 12,5 |
6,5 | 14,5 |
≤ 0,56 |
≤ 30,0 |
5,5 | 12,2 |
6,7 | 14,9 |
7,7 | 17,3 |
Kategoria terenu IV
Bazowe ciśnienie prędkości [kN/m²] |
Bazowa prędkość wiatru [m/sec] |
Wysokość budynku < 15 [m] |
Wysokość budynku 15–30 [m] |
Wysokość budynku 30–50 [m] |
P | K [szt./m²] |
P | K [szt./m²] |
P | K [szt./m²] |
||
≤ 0,32 |
≤ 22,5 |
2,2 | 5,0 |
2,9 | 6,4 |
3,5 | 7,8 |
≤ 0,39 |
≤ 25,0 |
2,7 | 6,0 |
3,5 | 7,9 |
4,3 | 9,5 |
≤ 0,47 |
≤ 27,5 |
3,3 | 7,3 |
4,2 | 9,5 |
5,2 | 11,5 |
≤ 0,56 |
≤ 30,0 |
3,9 | 8,7 |
5,1 | 11,3 |
6,1 | 13,7 |
Podane wartości odnoszące się do minimalnej liczby zaczepów uwzględniają współczynnik bezpieczeństwa o wartości 1,35 i powinny być traktowane jako wartości teoretyczne. R = obszar krawędziowy (współczynnik ciśnienia zewnętrznego cpe = -2,9), N = obszar połaciowy zwykły (współczynnik ciśnienia zewnętrznego = -1,3).
Kategoria terenu II
Bazowe ciśnienie prędkości [kN/m²] |
Bazowa prędkość wiatru [m/sec] |
Wysokość budynku < 15 [m] |
Wysokość budynku 15–30 [m] |
Wysokość budynku 30–50 [m] |
P | K [szt./m²] |
P | K [szt./m²] |
P | K [szt./m²] |
||
≤ 0,32 |
≤ 22,5 |
4,2 | 9,3 |
4,9 | 10,9 |
5,5 | 12,4 |
≤ 0,39 |
≤ 25,0 |
5,1 | 11,3 |
6,0 | 13,3 |
6,8 | 15,1 |
≤ 0,47 |
≤ 27,5 |
6,1 | 13,6 |
7,2 | 16,1 |
8,1 | 18,2 |
≤ 0,56 |
≤ 30,0 |
7,3 | 16,2 |
8,6 | 19,1 |
9,7 | 21,6 |
Kategoria terenu III
Bazowe ciśnienie prędkości [kN/m²] |
Bazowa prędkość wiatru [m/sec] |
Wysokość budynku < 15 [m] |
Wysokość budynku 15–30 [m] |
Wysokość budynku 30–50 [m] |
P | K [szt./m²] |
P | K [szt./m²] |
P | K [szt./m²] |
||
≤ 0,32 |
≤ 22,5 |
3,5 | 7,9 |
4,3 | 9,6 |
5,0 | 11,2 |
≤ 0,39 |
≤ 25,0 |
4,3 | 9,6 |
5,3 | 11,7 |
6,1 | 13,6 |
≤ 0,47 |
≤ 27,5 |
5,2 | 11,6 |
6,3 | 14,1 |
7,4 | 16,4 |
≤ 0,56 |
≤ 30,0 |
6,2 | 13,8 |
7,6 | 16,9 |
8,8 | 19,5 |
Kategoria terenu IV
Bazowe ciśnienie prędkości [kN/m²] |
Bazowa prędkość wiatru [m/sec] |
Wysokość budynku < 15 [m] |
Wysokość budynku 15–30 [m] |
Wysokość budynku 30–50 [m] |
P | K [szt./m²] |
P | K [szt./m²] |
P | K [szt./m²] |
||
≤ 0,32 |
≤ 22,5 |
2,5 | 5,6 |
3,3 | 7,3 |
4,0 | 8,9 |
≤ 0,39 |
≤ 25,0 |
3,1 | 6,8 |
4,0 | 8,9 |
4,8 | 10,8 |
≤ 0,47 |
≤ 27,5 |
3,7 | 8,2 |
4,8 | 10,7 |
5,8 | 13,0 |
≤ 0,56 |
≤ 30,0 |
4,4 | 9,8 |
5,7 | 12,8 |
6,9 | 15,5 |
Wskazówka
Rozstaw zaczepów niezależnie od obliczonych wartości w strefie mocowania stałego nie może przekraczać 330 mm, a w strefie mocowania przesuwnego – 500 mm. W obszarze elementów montowanych na rąbkach (ochrona przeciwśniegowa, konstrukcja nośna pod panele fotowoltaiczne, zabezpieczenie dachu) rozstaw zaczepów nie może przekraczać 330 mm!
Obliczanie rozstawu zaczepów w oparciu o szerokość pasa blachy oraz wymaganą liczbę zaczepów/m².
100 : (szerokość pasa blachy [m] × liczba zaczepów [szt./m²]) = rozstaw zaczepów [cm] [maks. rozstaw zaczepów 50 cm, maks. rozstaw zaczepów stałych 33 cm]
uwaga
e = b lub 2*h (należy przyjąć mniejszą z wartości) – odległość dotyczy powierzchni na płaszczyźnie płaskiej
ed = wymiar odległości na połaci dachu; ed= (e/10) / (cos)
b = największa szerokość budynku
h = największa wysokość budynku
a = nachylenie dachu
Przykład
lokalizacja |
Innsbruck |
|---|---|
kategoria terenu, na jakim mieści się budynek |
II |
największa wysokość budynku |
10.5 m |
bazowa prędkość wiatru |
27,1 m/sec |
Maks. szerokość pasów zgodnie z tabelą 1 |
43 cm |
liczba zaczepów na obszarze krawędziowym zgodnie z tabelą 2 |
12,0 szt./m2 |
liczba zaczepów na obszarze połaciowym zwykłym zgodnie z tabelą 2 |
5,4 szt./m2 |
obszar krawędziowy (K) = 100: (0,43 m × 12,0 szt./m²) = 19,4 cm → rozstaw zaczepów 19 cm [maks. rozstaw zaczepów 50 cm, maks. rozstaw zaczepów stałych 33 cm]
obszar połaciowy zwykły (P) = 100: (0,43 m × 5,4 szt./m²) = 43,1 cm → rozstaw zaczepów 43 i 33 cm [maks. rozstaw zaczepów 50 cm, maks. rozstaw zaczepów stałych 33 cm]
Można pobrać tylko treści z jednej kategorii produktów. Jeśli potrzebują Państwo treści z kilku kategorii, proszę utworzyć osobne pliki do pobrania dla każdego obszaru produktów.